Гибкие вставки термостойкие ВГТ

Вставки гибкие термостойкие ВГТ применяются для соединения вентиляторов дымоудаления с воздуховодами или клапанами. Через вставки могут перемещаться газовоздушные смеси с температурой до 400°С и до 1000°С в течение не менее 120 минут. Вентиляционные гибкие вставки ВГТ предотвращают передачу вибрации от вентилятору. Гибкие соединения могут герметизировать вентиляционные стыки и места соединений.
Конструкция
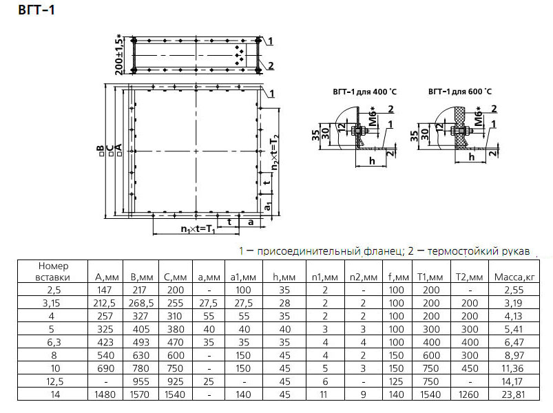
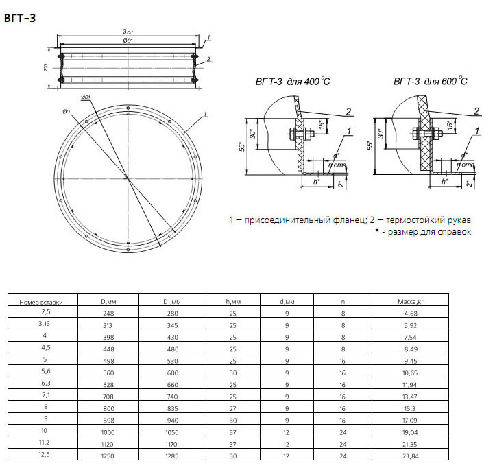
Компенсаторы огнестойкие состоят из термостойкого рукава и стальных оцинкованных фланцев. Вставки разных размеров могут иметь квадратное (ВГТ-1), прямоугольное (ВГТ-2) и круглое (ВГТ-3) сечения. Гибкий рукав вставки состоит из слоев специальных материалов. В зависимости от их комбинации возможно исполнение гибких вставок термостойкостью +400, +600 и +1000С. Материалы гибкой вставки могут быть кислотостойкими и выдерживать воздействие других арессивных сред.
Типы термостойких компенсаторов
Гибкая вставка квадратная ВГТ-1
Гибкая вставка прямоугольная ВГТ-2
Гибкая вставка круглая ВГТ-3
Мы осуществляем производство гибких вставок термостойких нестандартных размеров по чертежам заказчика. Специалисты компании помогут вам подобрать необходимые материалы вставки для решения поставленной задачи.